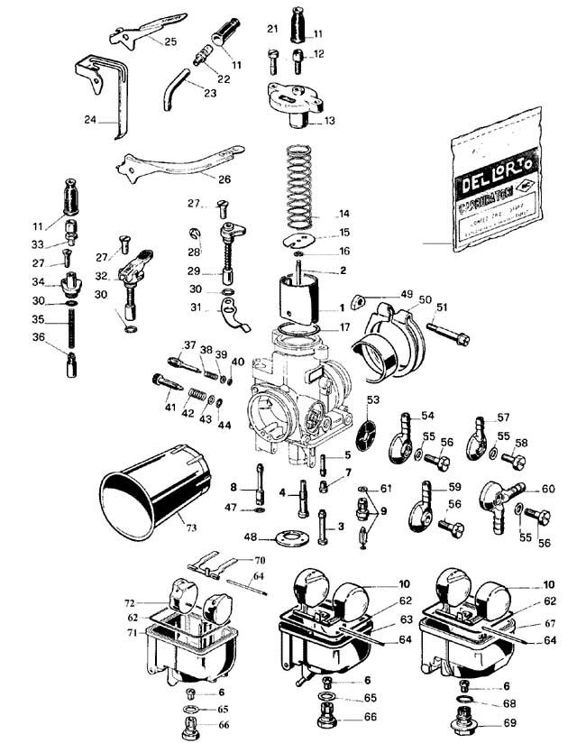
Phbh view...
-
psychedelicropcircle
- registered user
- Posts: 525
- Joined: Fri Aug 06, 2010 2:03 pm
- Main scooter: Series 1 li150 1958
- Location: north of hadrians wall
- Contact:
Does anyone have foti of the bottom view of a dellorto PHBH without the plastic bottom area?

any good ??
Its in bits scooter club: www.facebook.com/groups/132415046859320
